Product Summary
The PIC12F629-I/SN is an 8-Pin, Flash-Based 8-Bit CMOS Microcontroller.
Parametrics
PIC12F629-I/SN absolute maximum ratings: (1)Ambient temperature under bias: -40 to +125℃; (2)Storage temperature: -65℃ to +150℃; (3)Voltage on VDD with respect to VSS: -0.3 to +6.5V; (4)Voltage on MCLR with respect to Vss: -0.3 to +13.5V; (5)Voltage on all other pins with respect to VSS: -0.3V to (VDD + 0.3V); (6)Total power dissipation: 800 mW; (7)Maximum current out of VSS pin: 300 mA; (8)Maximum current into VDD pin: 250 mA; (9)Input clamp current, IIK (VI < 0 or VI > VDD):± 20 mA; (10)Output clamp current, IOK (Vo < 0 or Vo >VDD): ±20 mA; (11)Maximum output current sunk by any I/O pin: 25 mA; (12)Maximum output current sourced by any I/O pin: 25 mA; (13)Maximum current sunk by all GPIO: 125 mA; (14)Maximum current sourced all GPIO: 125 mA.
Features
PIC12F629-I/SN features: (1)Power-Saving Sleep mode; (2)Wide Operating Voltage Range -2.0V to 5.5V; (3)Industrial and Extended Temperature Range; (4)Low-Power Power-on Reset (POR); (5)Power-up Timer (PWRT) and Oscillator Start-up Timer (OST); (6)Brown-out Detect (BOD); (7)Watchdog Timer (WDT) with Independent Oscillator for Reliable Operation; (8)Multiplexed MCLR/Input Pin; (9)Interrupt-on-Pin Change; (10)Individual Programmable Weak Pull-ups; (11)Programmable Code Protection.
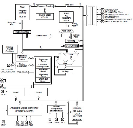
Diagrams

| Image | Part No | Mfg | Description | ![]() |
Pricing (USD) |
Quantity | ||||||||||||
|---|---|---|---|---|---|---|---|---|---|---|---|---|---|---|---|---|---|---|
![]() |
![]() PIC12F629-I/SN |
![]() Microchip Technology |
![]() 8-bit Microcontrollers (MCU) 1.75KB 64 RAM 6 I/O Ind Temp SOIC8 |
![]() Data Sheet |
![]()
|
|
||||||||||||
![]() |
![]() PIC12F629-I/SNG |
![]() Microchip Technology |
![]() 8-bit Microcontrollers (MCU) 1.75kBF 64RM 6I/O Lead Free Package |
![]() Data Sheet |
![]() Negotiable |
|
||||||||||||
(China (Mainland))









